Тройник ППТФ Ду 100х100 ВЧШГ ГОСТ 5525-88 чугунный фланцевый с пожарной подставкой

16 450

Получите счет/КП

zakaz@inzvod.ru
КопироватьКопировать
В наличии
Вам это понравится:

Обзор

Подробная информация о характеристиках, преимуществах и особенностях.
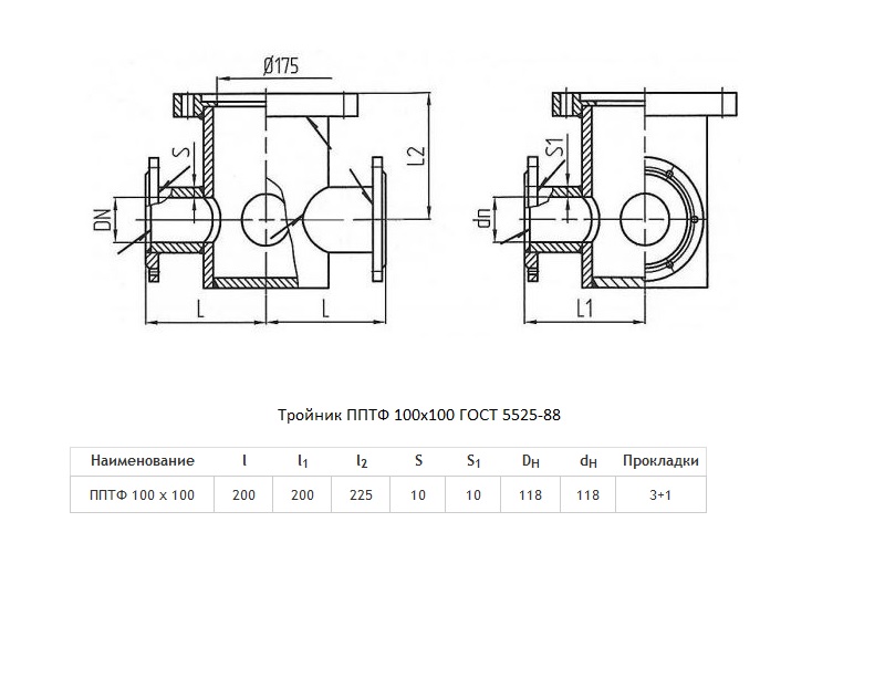
Изображение размеров/wa-data/public/shop/dim-images/chertyozh-pptf-100kh100.jpg
СтандартГОСТ 5525-88
Габариты дхшхв, мм400х236х284
Транспортировочный объём0,0268 м3
Диаметр100 мм
Тип присоединенияФланцевый
Материал изделияЧугун
Сфера примененияВодоснабжение
Тип изделияПожарная подставка, Тройник
Марка чугунаВЧШГ
Диаметр ответвления100 мм
Вес46 кг

Отзывы

Помогите другим пользователям с выбором - будьте первым, кто поделится своим мнением об этом товаре.

    Оставьте отзыв об этом товаре первым!

    0.00/ 5

    0
    0
    0
    0
    0

    ООО «Инжводострой» работает с юридическими лицами и индивидуальными предпринимателями.

    Все счета выставляются с НДС 20%.

    Оплата производится банковским переводом на расчётный счёт организации.

    Порядок работы:
    • Направьте заявку и реквизиты вашей организации любым удобным способом, указанным на сайте.
    • Получите счёт от менеджера компании.
    • Согласуйте условия доставки или самовывоза.

    Для постоянных клиентов предусмотрена возможность отсрочки платежа.

    Подробные условия уточняйте у менеджера нашей компании.