Подвеска ПП-2-125-L Ду 125 ОСТ 36-17-85 однорядная с прерывистым основанием и двумя тягами

11 466

Получите счет/КП

zakaz@inzvod.ru
КопироватьКопировать
В наличии

Обзор

Подробная информация о характеристиках, преимуществах и особенностях.
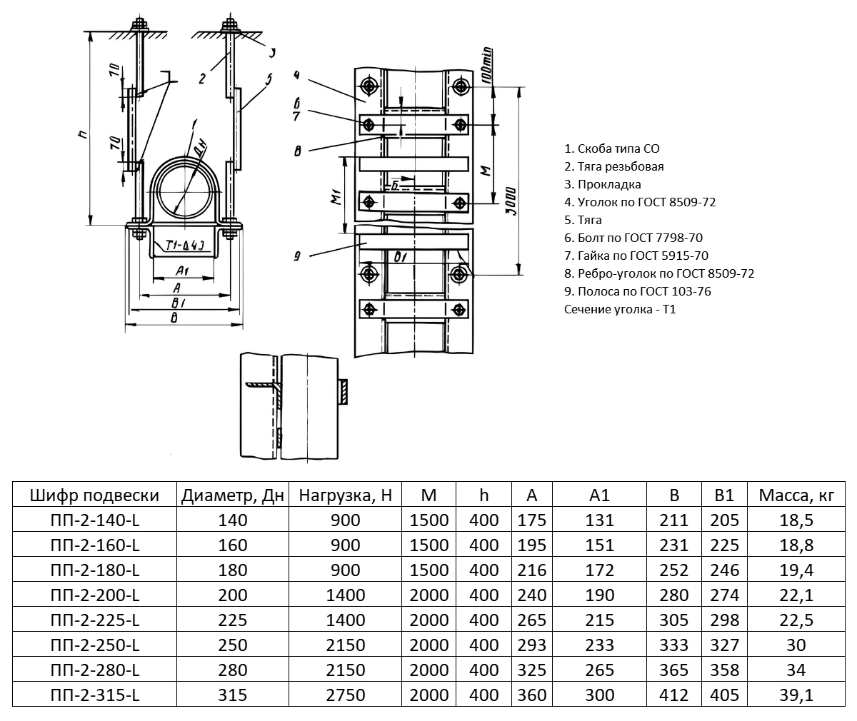
Изображение размеров/wa-data/public/shop/dim-images/podveska-pp-2-ost-36-17-85-skhema.jpg
СтандартОСТ 36-17-85
Габариты дхшхв, мм4500х196х460
Транспортировочный объём0,40 м3
Диаметр125 мм
Сфера примененияДля крепления пластмассовых трубопроводов
МодельПП-2
Марка сталиВСТ3кп 2, ВТС3пс 6, 14Г2-6
Материал корпусаКонструкционная сталь
Максимальная температура рабочей среды40°С
Минимальная температура рабочей среды-45°С
Маркировка опорыПП-2-125-L
Тип подвескиОднорядный
Вид подвескиС прерывистым основанием и двумя тягами
Вес18.2 кг

Отзывы

Помогите другим пользователям с выбором - будьте первым, кто поделится своим мнением об этом товаре.

    Оставьте отзыв об этом товаре первым!

    0.00/ 5

    0
    0
    0
    0
    0

    ООО «Инжводострой» работает с юридическими лицами и индивидуальными предпринимателями.

    Все счета выставляются с НДС 20%.

    Оплата производится банковским переводом на расчётный счёт организации.

    Порядок работы:
    • Направьте заявку и реквизиты вашей организации любым удобным способом, указанным на сайте.
    • Получите счёт от менеджера компании.
    • Согласуйте условия доставки или самовывоза.

    Для постоянных клиентов предусмотрена возможность отсрочки платежа.

    Подробные условия уточняйте у менеджера нашей компании.