Отвод стальной 180-2-377х13-12Х18Н10Т ГОСТ 17375-2001 бесшовный крутоизогнутый

45 100

Получите счет/КП

zakaz@inzvod.ru
КопироватьКопировать
В наличии

Обзор

Подробная информация о характеристиках, преимуществах и особенностях.
Изображение размеров/wa-data/public/shop/dim-images/377_180-10.jpg
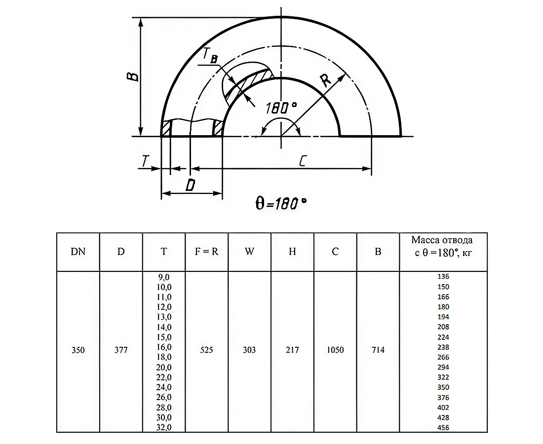
Толщина стенки13 мм
СтандартГОСТ 17375-2001
Габариты дхшхв, мм1508х377х714
Транспортировочный объём0.405 м3
Диаметр377 мм
Тип присоединенияПод приварку
Сфера примененияДля трубопроводов групп B и C и трубопроводов атомных станций по «Правилам АЭУ»
ТипБесшовный
Марка стали12Х18Н10Т
Угол180°
Максимальная температура рабочей средыдо + 300° С
ВидКрутоизогнутый
Радиус изгиба525 мм
Минимальная температура рабочей средыот -70 °С
Радиус кривизныR=1,5D
Тип исполнения2
Вес194 кг

Отзывы

Помогите другим пользователям с выбором - будьте первым, кто поделится своим мнением об этом товаре.

    Оставьте отзыв об этом товаре первым!

    0.00/ 5

    0
    0
    0
    0
    0

    ООО «Инжводострой» работает с юридическими лицами и индивидуальными предпринимателями.

    Все счета выставляются с НДС 20%.

    Оплата производится банковским переводом на расчётный счёт организации.

    Порядок работы:
    • Направьте заявку и реквизиты вашей организации любым удобным способом, указанным на сайте.
    • Получите счёт от менеджера компании.
    • Согласуйте условия доставки или самовывоза.

    Для постоянных клиентов предусмотрена возможность отсрочки платежа.

    Подробные условия уточняйте у менеджера нашей компании.