Отвод стальной 180-2-159х10-12Х18Н10Т ГОСТ 17375-2001 бесшовный крутоизогнутый

10 200

Получите счет/КП

zakaz@inzvod.ru
КопироватьКопировать
В наличии

Обзор

Подробная информация о характеристиках, преимуществах и особенностях.
Изображение размеров/wa-data/public/shop/dim-images/159_180-1.jpg
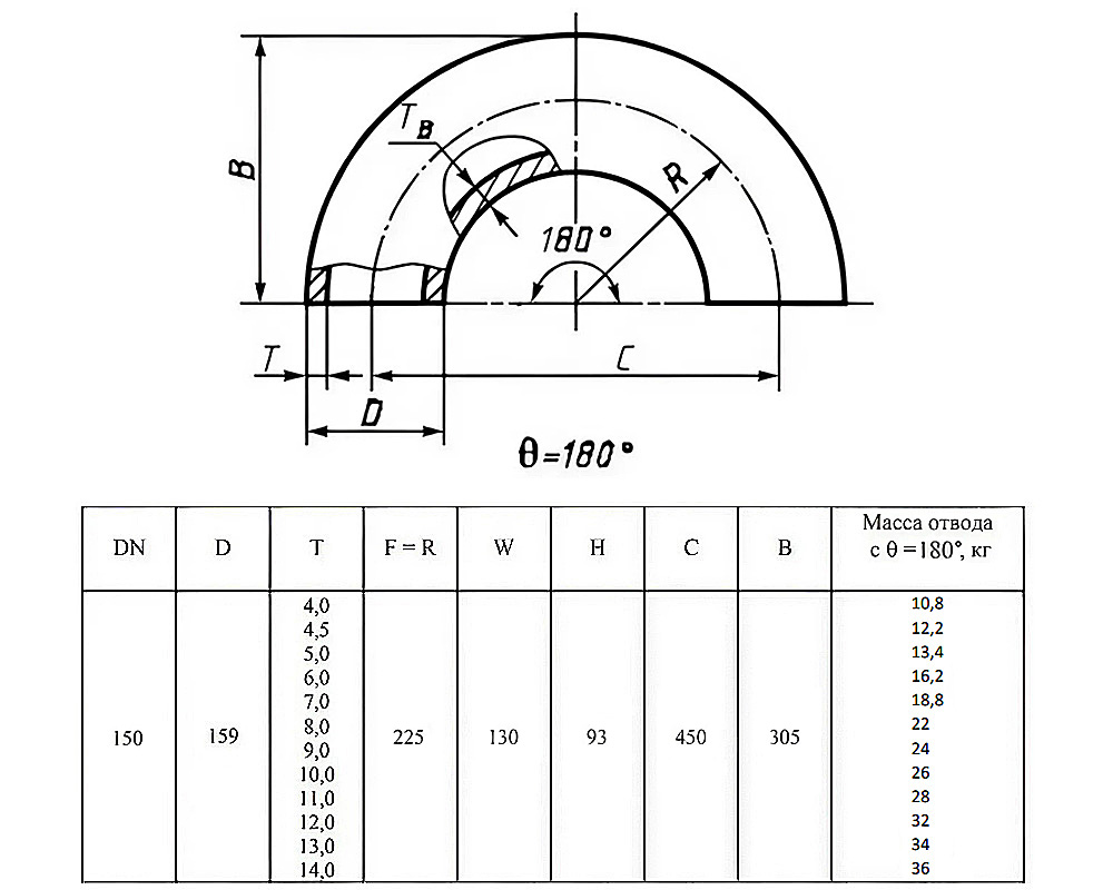
Толщина стенки10 мм
СтандартГОСТ 17375-2001
Габариты дхшхв, мм636х159х305
Транспортировочный объём0.030 м3
Диаметр159 мм
Тип присоединенияПод приварку
Сфера примененияДля трубопроводов групп B и C и трубопроводов атомных станций по «Правилам АЭУ»
ТипБесшовный
Марка стали12Х18Н10Т
Угол180°
Максимальная температура рабочей средыдо + 300° С
ВидКрутоизогнутый
Радиус изгиба225 мм
Минимальная температура рабочей средыот -70 °С
Радиус кривизныR=1,5D
Тип исполнения2
Вес26 кг

Отзывы

Помогите другим пользователям с выбором - будьте первым, кто поделится своим мнением об этом товаре.

    Оставьте отзыв об этом товаре первым!

    0.00/ 5

    0
    0
    0
    0
    0

    ООО «Инжводострой» работает с юридическими лицами и индивидуальными предпринимателями.

    Все счета выставляются с НДС 20%.

    Оплата производится банковским переводом на расчётный счёт организации.

    Порядок работы:
    • Направьте заявку и реквизиты вашей организации любым удобным способом, указанным на сайте.
    • Получите счёт от менеджера компании.
    • Согласуйте условия доставки или самовывоза.

    Для постоянных клиентов предусмотрена возможность отсрочки платежа.

    Подробные условия уточняйте у менеджера нашей компании.