Отвод 90-820х32,0-09Г2С ГОСТ 30753-2001 стальной бесшовный крутоизгогнутый

290 532

Получите счет/КП

zakaz@inzvod.ru
КопироватьКопировать
В наличии

Обзор

Подробная информация о характеристиках, преимуществах и особенностях.
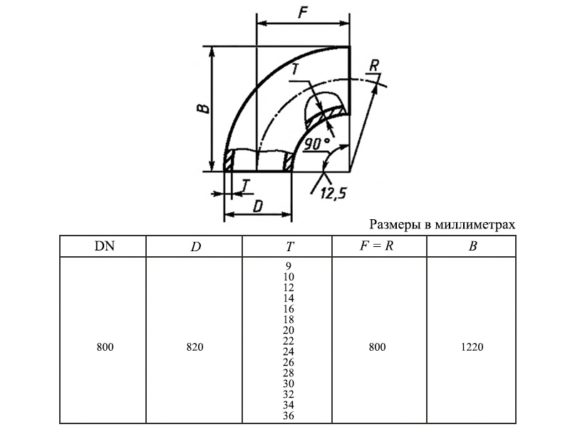
Изображение размеров/wa-data/public/shop/dim-images/d820-90-44.jpg
Толщина стенки32 мм
СтандартГОСТ 30753-2001
Габариты дхшхв, мм1220х820х1220
Транспортировочный объём1,2204 м3
Диаметр820 мм
ДавлениеРу 16
Тип присоединенияСварочный
Сфера примененияДля трубопроводов различного назначения
Исполнение2
Марка стали09Г2С
Условный диаметр800 мм
Материал корпусаСталь
Угол90°
Максимальная температура рабочей среды450°С
ВидБесшовный
Радиус изгиба800 мм
Минимальная температура рабочей среды-70°С
Тип отводаКрутоизогнутый
Вес781 кг

Отзывы

Помогите другим пользователям с выбором - будьте первым, кто поделится своим мнением об этом товаре.

    Оставьте отзыв об этом товаре первым!

    0.00/ 5

    0
    0
    0
    0
    0

    ООО «Инжводострой» работает с юридическими лицами и индивидуальными предпринимателями.

    Все счета выставляются с НДС 20%.

    Оплата производится банковским переводом на расчётный счёт организации.

    Порядок работы:
    • Направьте заявку и реквизиты вашей организации любым удобным способом, указанным на сайте.
    • Получите счёт от менеджера компании.
    • Согласуйте условия доставки или самовывоза.

    Для постоянных клиентов предусмотрена возможность отсрочки платежа.

    Подробные условия уточняйте у менеджера нашей компании.