Опора ОПП3-100.1220 Ду 1220 мм ГОСТ 14911-82 подвижная

13 625

Получите счет/КП

zakaz@inzvod.ru
КопироватьКопировать
В наличии

Обзор

Подробная информация о характеристиках, преимуществах и особенностях.
Изображение размеров/wa-data/public/shop/dim-images/1220-6.jpg
СтандартГОСТ 14911-82
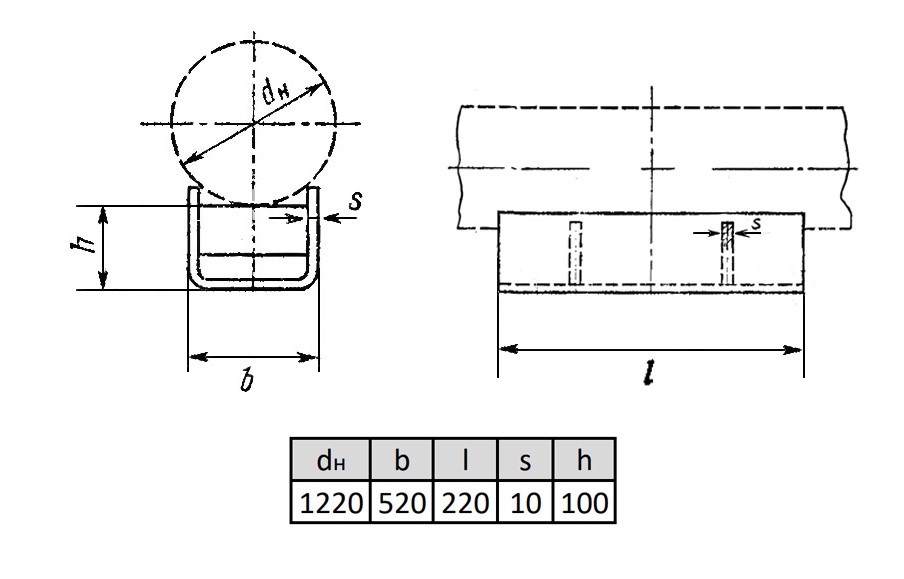
Габариты дхшхв, мм220х520х100
Транспортировочный объём0.011 м3
Диаметр1220 мм
Сфера примененияКрепление стальных технологических трубопроводов
МодельОПП3
Марка сталиВСт3пс
Ширина520 мм
Высота100 мм
Максимальная температура рабочей средыдо +450°С
Минимальная температура рабочей среды0 °С
Тип опорыП3
Вид опорыПодвижная
Вес37.88 кг
Длина220 мм

Отзывы

Помогите другим пользователям с выбором - будьте первым, кто поделится своим мнением об этом товаре.

    Оставьте отзыв об этом товаре первым!

    0.00/ 5

    0
    0
    0
    0
    0

    ООО «Инжводострой» работает с юридическими лицами и индивидуальными предпринимателями.

    Все счета выставляются с НДС 20%.

    Оплата производится банковским переводом на расчётный счёт организации.

    Порядок работы:
    • Направьте заявку и реквизиты вашей организации любым удобным способом, указанным на сайте.
    • Получите счёт от менеджера компании.
    • Согласуйте условия доставки или самовывоза.

    Для постоянных клиентов предусмотрена возможность отсрочки платежа.

    Подробные условия уточняйте у менеджера нашей компании.