Опора ОПБ2-21,3 Ду 21,3 мм ОСТ 36-94-83 подвижная

450

Получите счет/КП

zakaz@inzvod.ru
КопироватьКопировать
В наличии

Обзор

Подробная информация о характеристиках, преимуществах и особенностях.
Изображение размеров/wa-data/public/shop/dim-images/opb2.jpg
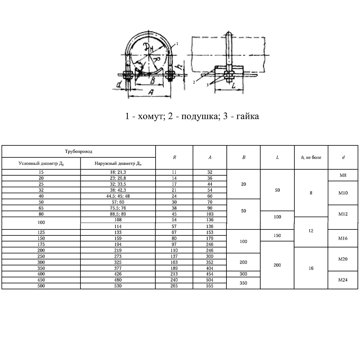
СтандартОСТ 36-94-83
Габариты дхшхв, мм50х32х8
Транспортировочный объём0,000006 м3
Сфера применениякрепление трубопроводов, систем отопления, теплоснабжения, водоснабжения, водоотведения, пожаротушения
МодельОПБ2
Толщина8 мм
Марка сталиВСт3кп
Ширина20 мм
Максимальная температура рабочей средыдо +450°С
Диаметр условный15 мм
Минимальная температура рабочей среды0 °С
Тип опорыБ2
Вид опорыПодвижная
Радиус11 мм
Диаметр наружный21,3 мм
Вес0.15 кг
Длина50 мм

Отзывы

Помогите другим пользователям с выбором - будьте первым, кто поделится своим мнением об этом товаре.

    Оставьте отзыв об этом товаре первым!

    0.00/ 5

    0
    0
    0
    0
    0

    ООО «Инжводострой» работает с юридическими лицами и индивидуальными предпринимателями.

    Все счета выставляются с НДС 20%.

    Оплата производится банковским переводом на расчётный счёт организации.

    Порядок работы:
    • Направьте заявку и реквизиты вашей организации любым удобным способом, указанным на сайте.
    • Получите счёт от менеджера компании.
    • Согласуйте условия доставки или самовывоза.

    Для постоянных клиентов предусмотрена возможность отсрочки платежа.

    Подробные условия уточняйте у менеджера нашей компании.