Опора 57-ТХ-А12 Ду 57 мм ОСТ 36-146-88 неподвижная

2 080

Получите счет/КП

zakaz@inzvod.ru
КопироватьКопировать
В наличии

Обзор

Подробная информация о характеристиках, преимуществах и особенностях.
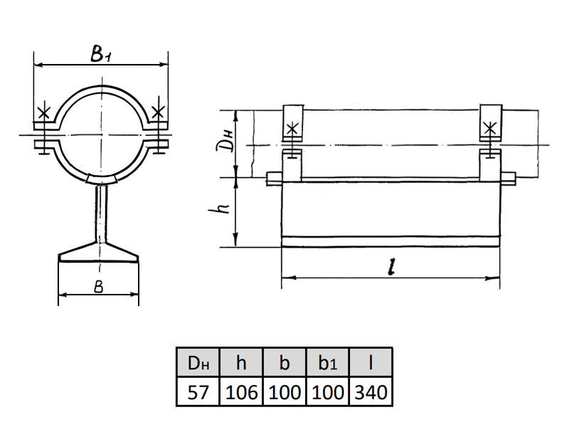
Изображение размеров/wa-data/public/shop/dim-images/57a12-13.jpg
СтандартОСТ 36-146-88
Габариты дхшхв, мм340х100х106
Транспортировочный объём0.0036 м3
Диаметр57 мм
Сфера примененияКрепление стальных технологических трубопроводов
МодельТХ
Марка стали09Г2С
Максимальная температура рабочей средыдо +450°С
Минимальная температура рабочей среды0 °С
Тип исполненияА12
Вид опорыТавровая хомутовая
Вес5.2 кг

Отзывы

Помогите другим пользователям с выбором - будьте первым, кто поделится своим мнением об этом товаре.

    Оставьте отзыв об этом товаре первым!

    0.00/ 5

    0
    0
    0
    0
    0

    ООО «Инжводострой» работает с юридическими лицами и индивидуальными предпринимателями.

    Все счета выставляются с НДС 20%.

    Оплата производится банковским переводом на расчётный счёт организации.

    Порядок работы:
    • Направьте заявку и реквизиты вашей организации любым удобным способом, указанным на сайте.
    • Получите счёт от менеджера компании.
    • Согласуйте условия доставки или самовывоза.

    Для постоянных клиентов предусмотрена возможность отсрочки платежа.

    Подробные условия уточняйте у менеджера нашей компании.