
Обзор
Подробная информация о характеристиках, преимуществах и особенностях.
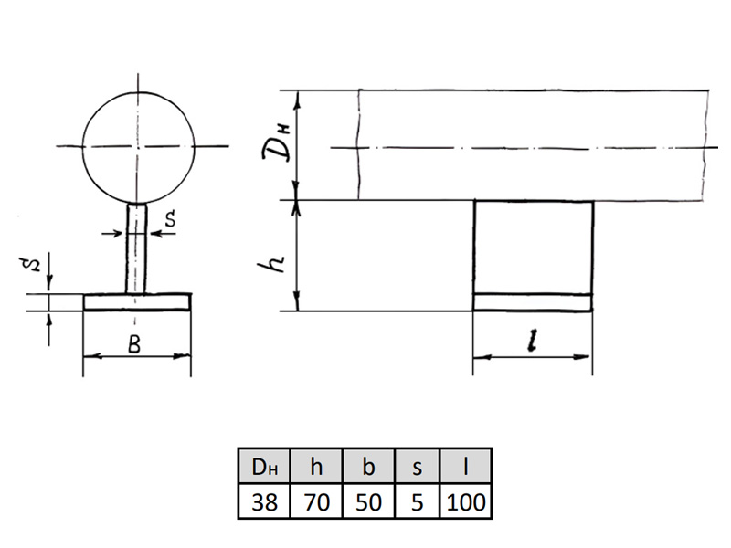
| Изображение размеров | |
|---|---|
| Стандарт | |
| Габариты дхшхв, мм | |
| Транспортировочный объём | |
| Диаметр | |
| Сфера применения | |
| Модель | |
| Марка стали | |
| Максимальная температура рабочей среды | |
| Минимальная температура рабочей среды | |
| Тип исполнения | |
| Тип опоры | |
| Вид опоры | |
| Вес |
Отзывы
Помогите другим пользователям с выбором - будьте первым, кто поделится своим мнением об этом товаре.
Оставьте отзыв об этом товаре первым!
| 0 | ||
| 0 | ||
| 0 | ||
| 0 | ||
| 0 |

ООО «Инжводострой» работает с юридическими лицами и индивидуальными предпринимателями.
Все счета выставляются с НДС 20%.
Оплата производится банковским переводом на расчётный счёт организации.
Порядок работы:- Направьте заявку и реквизиты вашей организации любым удобным способом, указанным на сайте.
- Получите счёт от менеджера компании.
- Согласуйте условия доставки или самовывоза.
Для постоянных клиентов предусмотрена возможность отсрочки платежа.
Подробные условия уточняйте у менеджера нашей компании.

