Опора 1420-КП-Б22 Ду 1420 мм корпусная хомутовая ОСТ 36-146-88 неподвижная

20 520

Получите счет/КП

zakaz@inzvod.ru
КопироватьКопировать
В наличии

Обзор

Подробная информация о характеристиках, преимуществах и особенностях.
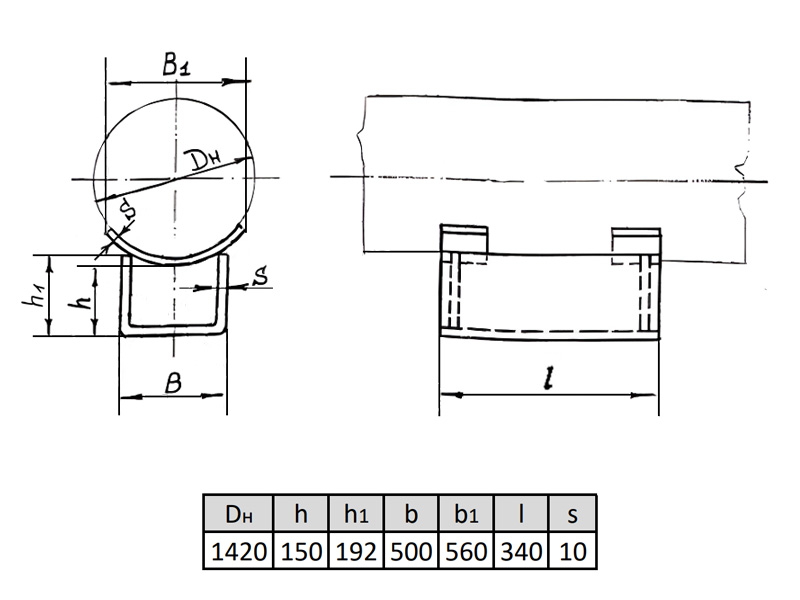
Изображение размеров/wa-data/public/shop/dim-images/1420b22.jpg
СтандартОСТ 36-146-88
Габариты дхшхв, мм340х560х192
Транспортировочный объём0.037 м3
Диаметр1420 мм
Сфера примененияКрепление стальных технологических трубопроводов
МодельКП
Марка сталиВСт3пс, ст. 20, 09Г2С, 12Х18Н10Т
Высота192 мм
Максимальная температура рабочей средыдо +450°С
Минимальная температура рабочей среды0 °С
Тип исполненияБ22
Тип опорыНеподвижная
Вид опорыКорпусная приварная
Вес51.3 кг
Длина340 мм

Отзывы

Помогите другим пользователям с выбором - будьте первым, кто поделится своим мнением об этом товаре.

    Оставьте отзыв об этом товаре первым!

    0.00/ 5

    0
    0
    0
    0
    0

    ООО «Инжводострой» работает с юридическими лицами и индивидуальными предпринимателями.

    Все счета выставляются с НДС 20%.

    Оплата производится банковским переводом на расчётный счёт организации.

    Порядок работы:
    • Направьте заявку и реквизиты вашей организации любым удобным способом, указанным на сайте.
    • Получите счёт от менеджера компании.
    • Согласуйте условия доставки или самовывоза.

    Для постоянных клиентов предусмотрена возможность отсрочки платежа.

    Подробные условия уточняйте у менеджера нашей компании.