Фланец 600-40-11-1-В-12Х18Н10Т-IV ГОСТ 33259-2015 нержавеющий воротниковый приварной встык Ду 600 Ру 40

215 005

Получите счет/КП

zakaz@inzvod.ru
КопироватьКопировать
В наличии

Обзор

Подробная информация о характеристиках, преимуществах и особенностях.
Изображение размеров/wa-data/public/shop/dim-images/image-2668.jpeg
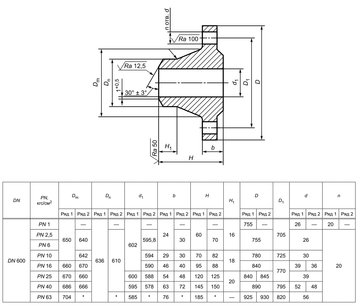
СтандартГОСТ 33259-2015
СтранаРоссия
Габариты дхшхв, мм890х890х145
Транспортировочный объём0,1148 м3
Диаметр600 мм
ДавлениеРу 40
Тип присоединенияПод приварку
Маркировка600-40-11-1-В-12Х18Н10Т-IV
Рабочая средаДля всех сред
Сфера примененияНефтегазовый комплекс, химическая промышленность, пищевая промышленность, атомная энергетика и другие сферы
ИсполнениеВ - с соединительным выступом
Марка стали12Х18Н10Т
Высота145 мм
Диаметр болтового отверстия52 мм
Материал фланцаСталь
Диаметр болтов и шпилекМ48
Тип фланца11
Вид фланцаВоротниковый
Толщина фланца, b63 мм
Tmin раб. среды-196°C
Tmax раб. среды600°C
Tmin окр. среды-270°C
Tmax окр. среды610°C
Внутренний диаметр, dв595 мм
Наружный диаметр фланца, d890 мм
Межосевое расстояние, d1795 мм
Кол-во болтовых отверстий20 шт
Размерный ряд1
Вес195 кг

Отзывы

Помогите другим пользователям с выбором - будьте первым, кто поделится своим мнением об этом товаре.

    Оставьте отзыв об этом товаре первым!

    0.00/ 5

    0
    0
    0
    0
    0

    ООО «Инжводострой» работает с юридическими лицами и индивидуальными предпринимателями.

    Все счета выставляются с НДС 20%.

    Оплата производится банковским переводом на расчётный счёт организации.

    Порядок работы:
    • Направьте заявку и реквизиты вашей организации любым удобным способом, указанным на сайте.
    • Получите счёт от менеджера компании.
    • Согласуйте условия доставки или самовывоза.

    Для постоянных клиентов предусмотрена возможность отсрочки платежа.

    Подробные условия уточняйте у менеджера нашей компании.